لیست محدود برنامه
مواد دمای متوسط ℃ مواد دمای متوسط ℃
PVC-C -20 ~ 95 ℃ PVC-U -5 ~ 45 ℃
FRPP -20 ~ 120 ℃ PPH -20 ~ 110 ℃
PVDF 40 ~ 150 ℃

ویژگی های ساختاری محصول

1. وزن: PVC-U تنها 1/10 وزن چدن است که حمل و نصب آن را آسان می کند و هزینه ها را کاهش می دهد.
2. مقاومت شیمیایی برتر: PVC-U مقاومت بسیار خوبی در برابر اسیدها و قلیاها دارد، به استثنای اسیدهای قوی و قلیاها در نزدیکی نقاط اشباع آنها.
3. بادوام: PVC-U مقاومت عالی در برابر آب و هوا را می دهد و در برابر خوردگی توسط باکتری ها و قارچ ها مقاوم است.
4. غیر رسا: PVC-U غیر رسا است و در برابر خوردگی توسط الکترولیز یا جریان الکتریکی حساس نیست و نیاز به پردازش ثانویه را از بین می برد. این غیر قابل اشتعال است و از احتراق پشتیبانی نمی کند و خطرهای ایمنی آتش را از بین می برد.
5. مقاومت کم و سرعت جریان بالا: دیواره داخلی صاف آتلاف جریان سیال را به حداقل می رساند و کثیفی کمتر به سطح صاف لوله می چسبد و تعمیر و نگهداری را ساده و مقرون به صرفه می کند.
6. نصب آسان و کم هزینه: برش و اتصال ساده است. ثابت شده است که چسب PVC ایمن، قابل اعتماد، آسان برای استفاده و مقرون به صرفه است.

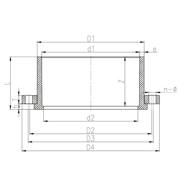
فلنج PVC-U Vanstone

DN D1 D2 D3 D4 d1 d2 L تی ساعت ز n-Φ
15 27 59 70 95 20 18 22 16 1.5 16 4-Φ15X20.5
20 32 70 75 105 25 23 25 18 1.5 19 4-15X17.5
25 40 79 90 125 32 29 28 18 1.5 22 4-Φ15X20.5
32 50 89 100 140 40 36 31.5 20 1.5 26 4-Φ18X24.5
4 61 98 110 150 50 4 37 20 2 31 4-Φ18X24
50 75 120 125 165 63 58 44 25 2 38 4-Φ18X20.5
65 88 140 145 185 75 69 50 25 2 44 4-Φ18X20.5
80 105 150 160 200 90 84 57 26 2.5 51 8-Φ18X23
100 127 175 190.5 229 110 105 67 26 2.5 61 8-Φ18X26
125 161 210 250 140 130 84 28 12.5 77 8-Φ19
150 182 240 285 160 150 93 31 12.5 85 8-Φ23
200 249 295 339 225 215 127 36 16 119 8-Φ23X25
200 254 295.8 341 225 215 127 33.1 16 119 12-Φ22
250 308 350 395 280 267 154 40.5 16.5 144 12-Φ23
300 346 400 445 315 305 170 43 18 160 12-Φ23
350 395 460 505 355 340 176 43 16 164.5 16-Φ23
400 442 515 570 400 382 219 43 22 200 16-Φ27
450 494 565 625 450 430 220 40 27 210 20-Φ26
500 548 620 670 500 475 210 43 25 185 20-Φ27
بازخورد پیام
درباره ما
Kaixin Pipeline Technologies Co., Ltd.
در سال 1999 تاسیس شد، Kaixin Pipeline Technologies Co., Ltd. یک شرکت با فناوری پیشرفته است که تحقیق و توسعه، تولید، فروش و خدمات را ادغام می کند. این شرکت دارای چندین گواهینامه معتبر از جمله شرکت ملی فناوری پیشرفته، SME تخصصی و پیشرفته "غول کوچک"، SME قهرمان تک محصولی ملی (تزریق)، SME مبتنی بر فناوری استانی، SME تخصصی و پیچیده نینگبو، قهرمان مرکز تک محصولی نینگبو (Cultivation & Diepevel Green)، Ningbo-D Green, Ningbo-D. کارخانه، شرکت نوآوری مدیریت چهار ستاره نینگبو و توانایی مدیریت داده سازمانی سطح بلوغ 2.
ما در توسعه، تولید و عرضه محصولات غیر فلزی مقاوم در برابر خوردگی برای کاربردهای شیمیایی، از جمله دریچه های پلاستیکی، لوله ها، اتصالات لوله و پمپ های مقاوم در برابر خوردگی تخصص داریم. مجموعه محصولات ما شامل موادی مانند PVC-C، PVC-U، PVDF، PPH، و FRPP با طیف گسترده ای از انواع و مشخصات است. قابل ذکر است که قطر شیرهای پروانه‌ای ما می‌تواند به DN1000 برسد، در حالی که لوله‌ها و اتصالات تا DN800 گسترش می‌یابند و شکاف‌های بازار را برطرف می‌کنند و مزیت رقابتی خود را در صنعت حفظ می‌کنند.
با هدایت اصل "تکنولوژی محور، همگام با زمان"، Kaixin سالانه نزدیک به 10 میلیون یوان را به تحقیق و توسعه اختصاص می دهد. ما کیفیت محصول برتر را از طریق تولید خودکار استاندارد و تامین دقیق مواد خام وارداتی تضمین می کنیم. همراستا با استراتژی توسعه بین المللی خود، ما به طور مداوم روندهای بازار جهانی را رصد می کنیم و از کانال های دیجیتالی استفاده می کنیم تا محصولات باکیفیت "ساخت چین" را به مشتریان در سراسر جهان ارائه دهیم.
نینگبو • پایگاه تحقیق و توسعه و تولید Fenghua
با سرمایه گذاری کل 200 میلیون یوان، شرکت Kaixin Ultra-Pure Pipe Technology (Ningbo) یک آزمایشگاه مواد جدید با همکاری دانشگاه ها و موسسات تحقیقاتی ایجاد کرده، یک پایگاه تولید مدرن ایجاد کرده و 8 خط تولید کاملاً خودکار برای پلاستیک های اصلاح شده و 8 خط برای مواد پلیمری نصب کرده است. این مرکز به تحقیق و توسعه، تولید و استفاده از پلاستیک های اصلاح شده جدید و مواد پلیمری اختصاص دارد. Kaixin همچنین متعهد به جذب استعدادهای برتر در سراسر رشته‌ها، هدایت مداوم نوآوری محصول و توسعه نام تجاری، با هدف تبدیل شدن به یک رهبر شناخته شده جهانی در تحقیق و توسعه و تولید دریچه‌ها، لوله‌ها و اتصالات پلیمری است.
گواهی افتخار
  • honor
  • honor
  • honor
  • honor
  • honor
  • honor
  • honor
  • honor
  • honor
اخبار