لیست محدود دمای برنامه

مواد دمای متوسط ℃ مواد دمای متوسط ℃
PVC-C -20 ~ 95 ℃ PVC-U -5 ~ 45 ℃
FRPP -20 ~ 120 ℃ PPH -20 ~ 110 ℃
PVDF 40 ~ 150 ℃

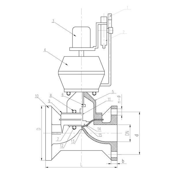
ویژگی های ساختاری محصول

1. دیافراگم آب بندی از F46 یا PFA ساخته شده است، با استقامت تاشو ≥ 120000 بار و مقاومت در برابر خوردگی قابل مقایسه با F4 است.
2. مکانیزم بالابر نوع پیچ گشتاور باز و بسته شدن کم و پایداری عالی را فراهم می کند.
3. محرک را می توان از راه دور از طریق یک کامپیوتر یا مرکز کنترل کنترل کرد و با باز کردن و بستن شیر، جریان و جریان محیط را کنترل کرد. این امر راحتی و سرعت بیشتری را فراهم می کند، هزینه های نیروی کار را کاهش می دهد و ایمنی کارگران در محل را تضمین می کند.

جدول مواد قطعه

خیر نام مواد تعداد
1 شیر برقی 1
2 فشار سنج 1
3 دستگاه بازخورد سیگنال 1
4 محرک پنوماتیک آلیاژ آلومینیوم 1
5 کاپوت PPH،PVC-C،PVC-U،PVDF،FRPP 1
6 آجیل یوکی فولاد اس اس، فولاد 1
7 پلاتن Q345، SS فولاد 2
8 پیچ فولاد,StainlessSteel 4
9 پلاتن Q345، SS فولاد 2
10 بدن PPH،PVC-C،PVC-U،PVDF،FRPP 1
11 ساقه فولاد,StainlessSteel 1
12 کلاهک مهره فولاد,StainlessSteel 4
13 صفحه سوپاپ PPH،PVC-C،PVC-U
FRPP، PVDF / چدن
1
14 فلیم EPDM، FPM 1
15 دیافراگم F46.PFA.PTFE 1
فهرست ابعاد

D د L ب n-ف
15 95 65 125 14 4-Φ14
20 105 75 135 18 4-Φ14
25 115 85 145 18 4-Φ14
32 135 100 160 18 4-Φ18
40 145 110 180 20 4-Φ18
50 160 125 210 22 4-Φ18
65 180 145 250 24 4-Φ18
80 195 160 300 24 8-Φ18
100 225 180 350 28 8-Φ18
125 245 210 400 30 8-Φ18
150 280 240 455 30 8-Φ23x27
200 335 295 570 40 8-Φ22
250 390 350 680 38 12-Φ23
300 445 400 680 38 12- Φ 23
بازخورد پیام
درباره ما
Kaixin Pipeline Technologies Co., Ltd.
در سال 1999 تاسیس شد، Kaixin Pipeline Technologies Co., Ltd. یک شرکت با فناوری پیشرفته است که تحقیق و توسعه، تولید، فروش و خدمات را ادغام می کند. این شرکت دارای چندین گواهینامه معتبر از جمله شرکت ملی فناوری پیشرفته، SME تخصصی و پیشرفته "غول کوچک"، SME قهرمان تک محصولی ملی (تزریق)، SME مبتنی بر فناوری استانی، SME تخصصی و پیچیده نینگبو، قهرمان مرکز تک محصولی نینگبو (Cultivation & Diepevel Green)، Ningbo-D Green, Ningbo-D. کارخانه، شرکت نوآوری مدیریت چهار ستاره نینگبو و توانایی مدیریت داده سازمانی سطح بلوغ 2.
ما در توسعه، تولید و عرضه محصولات غیر فلزی مقاوم در برابر خوردگی برای کاربردهای شیمیایی، از جمله دریچه های پلاستیکی، لوله ها، اتصالات لوله و پمپ های مقاوم در برابر خوردگی تخصص داریم. مجموعه محصولات ما شامل موادی مانند PVC-C، PVC-U، PVDF، PPH، و FRPP با طیف گسترده ای از انواع و مشخصات است. قابل ذکر است که قطر شیرهای پروانه‌ای ما می‌تواند به DN1000 برسد، در حالی که لوله‌ها و اتصالات تا DN800 گسترش می‌یابند و شکاف‌های بازار را برطرف می‌کنند و مزیت رقابتی خود را در صنعت حفظ می‌کنند.
با هدایت اصل "تکنولوژی محور، همگام با زمان"، Kaixin سالانه نزدیک به 10 میلیون یوان را به تحقیق و توسعه اختصاص می دهد. ما کیفیت محصول برتر را از طریق تولید خودکار استاندارد و تامین دقیق مواد خام وارداتی تضمین می کنیم. همراستا با استراتژی توسعه بین المللی خود، ما به طور مداوم روندهای بازار جهانی را رصد می کنیم و از کانال های دیجیتالی استفاده می کنیم تا محصولات باکیفیت "ساخت چین" را به مشتریان در سراسر جهان ارائه دهیم.
نینگبو • پایگاه تحقیق و توسعه و تولید Fenghua
با سرمایه گذاری کل 200 میلیون یوان، شرکت Kaixin Ultra-Pure Pipe Technology (Ningbo) یک آزمایشگاه مواد جدید با همکاری دانشگاه ها و موسسات تحقیقاتی ایجاد کرده، یک پایگاه تولید مدرن ایجاد کرده و 8 خط تولید کاملاً خودکار برای پلاستیک های اصلاح شده و 8 خط برای مواد پلیمری نصب کرده است. این مرکز به تحقیق و توسعه، تولید و استفاده از پلاستیک های اصلاح شده جدید و مواد پلیمری اختصاص دارد. Kaixin همچنین متعهد به جذب استعدادهای برتر در سراسر رشته‌ها، هدایت مداوم نوآوری محصول و توسعه نام تجاری، با هدف تبدیل شدن به یک رهبر شناخته شده جهانی در تحقیق و توسعه و تولید دریچه‌ها، لوله‌ها و اتصالات پلیمری است.
گواهی افتخار
  • honor
  • honor
  • honor
  • honor
  • honor
  • honor
  • honor
  • honor
  • honor
اخبار